ID do Artigo : 00123157 / Última Modificação : 11/03/2025Imprimir

Ao instalar o monitor na parede, o que significa tamanho padrão VESA?

    Para verificar as medidas corretas dos padrões de furos de montagem na parede dos televisores, acesse: Quais suportes de parede podem ser utilizados nos televisores?

    » O que é VESA?

    VESA (Video Electronics Standards Association) é uma organização composta por profissionais de eletrônica que revisa prospostas e elabora normas para promover a uniformidade na indústria de eletrônicos de vídeo.

    » Quais são os tamanhos padrões VESA?

    A VESA tem desenvolvido um conjunto de normas para a fabricação de televisores com tela plana e monitores. A maioria dos fabricantes tem que cumprir com este padrão, uniformizando os tamanhos de buraco na parte de trás do televisor ou monitor para o uso do suporte de instalação na parede.

    O buraco padrão VESA para monitores de tela plana deverá seguir um dos seguintes tamanhos determinados:

    • 75 mm x 75 mm (75 mm = 2.95 polegadas);
    • 100 mm x 100 mm (100 mm = 3.94 polegadas);
    • 200 mm x 200 mm (200 mm = 7.87 polegadas);
    • 400 mm x 400 mm (400 mm = 15.7 polegadas);
    • 600 mm x 400 mm (600 mm = 23.6 polegadas);
    • 800 mm x 400 mm (800 mm = 31.5 polegadas).

    » Como saber se o seu televisor ou monitor é compatível com VESA?

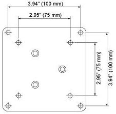
    Para descobrir se o seu televisor é compatível com VESA, meça a distância vertical e horizontal entre os buracos na parte de trás da TV.
    Esta medida deve estar com uma das dimensões previstas acima. A imagem abaixo é um exemplo dos buracos na parte de trás de sua TV ou monitor.

    Image

     

    Caso precise de uma autorizada para suporte, acesse nosso localizador abaixo, ou Clique Aqui para acessar o manual do modelo de seu TV e checar as especificações.

    Image